精礦尾礦垂直振動提升機價格參數選型
振動提升機-精礦尾礦DZC系列垂直振動提升機生產廠家-價格參數選型圖紙定制 13353676726
精礦尾礦DZC系列垂直振動提升機產品概述:
DZC系列垂直振動提升機廣泛應用于化工、橡膠、塑料、醫藥、輕工、食品、冶金、建材、礦山、糧食等行業。 奧創機械生產的DZC系列垂直振動提升機采用振動電機作振動源,利用兩振動電機的合成振幅,將物料沿螺旋輸送槽向上輸送。DZC系列垂直振動提升機主要用于提升顆粒狀、粉狀、塊狀物料。本輸送機結構簡單,維修容易,物料定量送出,輸送量連續可調,可作為各行業中,小顆粒物料的垂直輸送之用.除具有從下向上提升物料外,還可以完成對物料的干燥、冷卻作用。分開槽式、封閉式兩種結構,并可根據不同工藝的要求,設計物料顆粒分級作用的篩選提升機及設計易燃易爆物料的提升機。

DZC系列垂直振動提升機主要特點:
1.占地面積小、結構簡單、合理。
2.動力消耗小、無噪音、維修方便。
3.封閉式提升有效的防止了粉塵和有害氣體對工作環境的污染。
DZC系列垂直振動提升機工作原理:
DZC系列電機振動垂直提升機是由提升槽、振動電機、減振系統和底座等組成。該系列提升機是采用振動電機作為振動源,固定在提升槽上的兩臺相同型號的振動電機中心線交叉一定角度安裝,并做相反方向自同步旋轉,振動電機所帶的偏心塊在旋轉時各個瞬間位置所產生的離心力之分力沿拋擲方向作往復運動,使支承在減振器上的整個機體不停振動,使物料在提升槽內被拋起的同時向上運動,物料落入入料槽后,開始被拋起,此時可以使物料與空氣充分接觸,還可以起到散熱冷卻的作用。該提升機對粉狀、塊狀和短纖維狀的固體物料(有粘性和易結塊的除外)都可垂直輸送,還可以完成對物料的干燥、冷卻作用。分敞開式、封閉式兩種結構。并可按照用戶需要進行特殊設計。
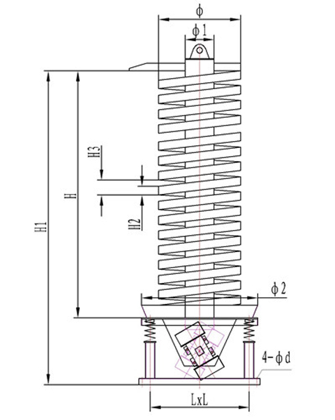
DZC系列垂直震動提升機外形示意圖:
DZC型系列垂直振動提升機安裝尺寸表:
|
型號 |
Φ |
Φ1 |
Φ2 |
H |
H1 |
H2 |
H3 |
D |
Lx8 |
Ld×Bd |
Φd |
|
DZC300 |
300 |
146 |
500 |
~2000 |
~2750 |
40 |
75 |
270 |
680×680 |
\ |
11 |
|
DZC500 |
500 |
219 |
850 |
~3000 |
~4020 |
50 |
80 |
475 |
1080×1080 |
880×880 |
13 |
|
DZC550 |
550 |
245 |
900 |
~3500 |
~4530 |
55 |
85 |
500 |
1100×1100 |
900×900 |
13 |
|
DZC600 |
600 |
273 |
950 |
~4000 |
~5150 |
60 |
85 |
525 |
1100×1100 |
900×900 |
15 |
|
DZC800 |
800 |
351 |
1200 |
~4500 |
~5650 |
60 |
90 |
650 |
1300×1300 |
1050×1050 |
15 |
|
DZC850 |
850 |
402 |
1250 |
~5000 |
~6150 |
65 |
100 |
675 |
1400×1400 |
1150×1150 |
17 |
|
DZC900 |
900 |
530 |
1300 |
~6000 |
~7180 |
65 |
110 |
700 |
1600×1600 |
1300×1300 |
17 |
DZC系列垂直振動提升機主要技術參數:
|
型號 |
輸送量(t/h) |
輸送槽直徑(mm) |
輸送寬度(mm) |
輸送高度(m) |
振次(min) |
雙振幅(mm) |
電動功率(kw) |
重量(kg) |
|
DZC300 |
~1.0 |
300 |
77 |
≤2.0 |
960 |
6~7 |
2×0.4 |
680 |
|
DZC500 |
~2.0 |
500 |
140 |
≤3.0 |
6~8 |
2×0.75 |
1010 |
|
|
DZC550 |
~3.0 |
550 |
152 |
≤3.5 |
6~8 |
2×1.5 |
1190 |
|
|
DZC600 |
~3.0 |
600 |
163 |
≤4.0 |
6~7 |
2×1.5 |
13210 |
|
|
DZC800 |
~4.0 |
800 |
224 |
≤4.5 |
6~8 |
2×2.2 |
1590 |
|
|
DZC850 |
~4.0 |
850 |
224 |
≤5.0 |
6~9 |
2×2.2 |
1750 |
|
|
DZC900 |
~3.5 |
900 |
185 |
≤6.0 |
6~9 |
2×3.0 |
2100 |
當DZC系列垂直提升機工作時,根據雙振動電機自同步原理,由振動電機產生激振力,強迫整個輸送塔體作水平圓運動和向上垂直運動的空間復合振動,螺旋槽內的物料則受輸送槽的作用,作勻速拋擲圓運動,沿輸送槽體向上運動,從而完成物料的向上(或向下)輸送作業。
DZC系列垂直振動提升機安裝時應注意以下幾點:
1.安裝時應保證支撐管與水平垂直,其軸線不垂直度不大于總高的2/1000;
2.垂直振動提升機一般在室內使用;
3.地角螺釘固定,接地保護;
4.提升機不允許與周圍物件有連接,并留有一定的活動間隙,以防影響或振動產生噪音。
河南奧創機械-機械設備生產廠家-提供價格方案流程安裝,主營制造各類振動篩分機,輸送機,提升機,給料機,除塵器等,整機質保
[奧創機械]-微信手機同號13353676726


