煉鐵廠燒結粉塵HS系列刮板輸送機
文章作者:奧創機械發布時間:2018/7/12 11:58:01瀏覽次數:
煉鐵廠燒結粉塵HS系列刮板輸送機-刮板輸送機報價|參數|圖紙-優質供應商13353676726
HS系列刮板輸送機
一、HS系列刮板輸送機的概述:
HS系列刮板輸送機是輸送粉狀、小顆粒狀和小塊狀干態物料的連續輸送設備,可以水平、傾斜布置。該設備結構合理、運行平穩可靠、輸送距離長、密封性能好、磨損小、噪音低,廣泛用于冶金、電力、礦山、建材等行業。
二、HS系列刮板輸送機的結構特點及工作原理:
HS系列刮板輸送機由機頭部件、中間槽體、機尾部件、刮板輸送鏈、驅動裝置、安裝枕梁組成。全封閉機殼,設備運行時無物料外泄;輸送鏈采用優質合金鋼鍛壓加工,經熱處理后強度大、耐磨損;設備的進出料口、輸送長度可根據工藝要求靈活布置。
物料經進料口進入槽體底部,由機尾向機頭方向作封閉連續運行,輸送鏈將物料從進料口連續輸送至出料口,可實現多點進料、多點卸料。
HS系列刮板輸送機專門用于磨琢性大、堆積比重大的粉狀、小顆粒狀及小干塊狀的干態物料輸送。如煉鐵廠的燒結粉塵等。
三、HS系列刮板輸送機的技術參數:
| 型號 | HS200 | HS250 | HS310 | HS400 | HS450 |
| 槽寬 mm | 200 | 250 | 310 | 400 | 450 |
| 輸送量 m3/h | 2--5 | 4--8 | 6--12 | 10--15 | 15--20 |
| 鏈速 m/min | 2.4--4 | 2.4--4 | 2.4--4 | 2.4--4 | 2.4--4 |
| 鏈條節距 mm | 152.4 | 152.4 | 152.4 | 200 | 200 |
| 輸送距離 m | 5--60 | 6--60 | 6--60 | 8--50 | 8--50 |
| 傾斜角度 0 | ≤ 15 ° | ||||
| 電機功率 Kw | 1.5—5.5 | 1.5—7.5 | 2.2--11 | 3--11 | 4--15 |
| 驅動型式 | 左、右裝,背裝 | ||||
| 適用粒度 mm | < 5 | < 8 | < 12 | < 15 | < 20 |
| 適用濕度% | ≤ 5 | ||||
| 適用溫度℃ | ≤ 150 | ||||
| 傳動型式 | 鏈傳動 | ||||
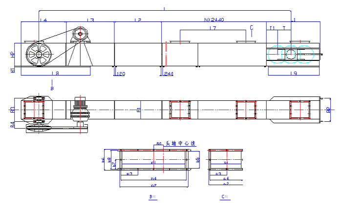
四、HS系列刮板輸送機外形及安裝示意圖:
五、HS系列刮板輸送機外形與連接尺寸:
| 尺寸/型號 | HS200 | HS250 | HS310 | HS400 | HS450 | |
| 結構尺寸 | L 1 | 1000 | 1000 | 1000 | 1500 | 1500 |
| L 2 | 非標段根據用戶需求定長 | |||||
| L 3 | 1500 | 1500 | 1500 | 1500 | 1500 | |
| L 4 | 1000 | 1000 | 1000 | 1260 | 1260 | |
| L 5 | 315 | 315 | 315 | 655 | 655 | |
| L 6 | 1000 | 1000 | 1000 | 1120 | 1120 | |
| L 7 | 根據用戶需求確定 | |||||
| H 1 | 100 | 100 | 100 | 100 | 100 | |
| H 2 | 545 | 545 | 545 | 840 | 840 | |
| H 3 | 100 | 100 | 100 | 100 | 100 | |
| H 4 | 545 | 545 | 545 | 650 | 650 | |
| H 5 | 795-845 | 795-845 | 795-845 | 950-1010 | 950-1010 | |
| B | 200 | 250 | 310 | 400 | 450 | |
| B 1 | 320 | 370 | 430 | 520 | 570 | |
| B 2 | 430 | 480 | 540 | 690 | 740 | |
| B 3 | 550 | 600 | 660 | 750 | 800 | |
| B 4 | 157.5 | 157.5 | 157.5 | 201 | 201 | |
| T | 250 | 250 | 250 | 320 | 320 | |
| T 1 | 350 | 350 | 350 | 590 | 590 | |
| n | 根據工藝需要確定 | |||||
| 進料口 | a 1 | 200 | 300 | 350 | 400 | 400 |
| a 2 | 300 | 400 | 450 | 500 | 500 | |
| a 3 | 130 | 180 | 135、140 | 115 | 115 | |
| a 4 | 260 | 360 | 410 | 460 | 460 | |
| n 1 | 8 | 8 | 12 | 16 | 16 | |
| 出料口 | b 1 | 480 | 480 | 480 | 480 | 480 |
| b 2 | 576 | 576 | 576 | 576 | 576 | |
| b 3 | 134 | 134 | 134 | 134 | 134 | |
| b 4 | 536 | 536 | 536 | 536 | 536 | |
| b 5 | 210 | 260 | 320 | 400 | 450 | |
| b 6 | 306 | 356 | 426 | 508 | 558 | |
| b 7 | 133 | 157.5 | 130 | 102.5 | 127.5 | |
| b 8 | 266 | 315 | 390 | 460 | 510 | |
| n 2 | 12 | 12 | 14 | 16 | 16 | |
| 安裝尺寸 | L 8 | 1750 | 1750 | 1750 | 2000 | 2000 |
| L 9 | 950 | 950 | 950 | 1450 | 1450 | |
| L 10 | 320 | 370 | 430 | 520 | 570 | |
| L 11 | 370 | 420 | 480 | 570 | 620 | |
| n 3 | 根據工藝需要確定 | |||||
HS系列刮板輸送機廠家提示:請通過正規渠道購買奧創HS系列刮板輸送機,以保障您的合法權益!
訂購網址請登錄河南奧創機械有限公司官方網站: m.symhhb.cn 24小時服務熱線:13353676726
下一篇:DHZ型單鏈后驅式除渣機|刮板除渣機上一篇:量身設計打造鍋爐除渣生產線


